空氣增壓器ABP不使用電,通過與儲氣罐組合,僅利用氣壓即可增壓到相當于一次側壓力2倍(最高0.99MPa)的程度。
通過對工廠內所需的部位進行高壓化,可實現總管路的節能·降低成本。另外,也備有可直接連接空氣增壓器的儲氣罐與壓力表選擇項。請組合使用。

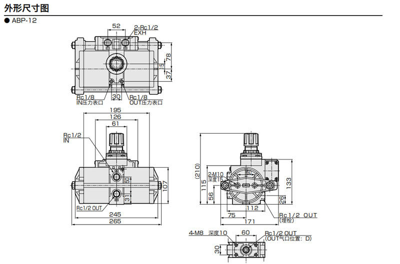
特 點
可將增壓比調整到2倍(相當)可通過活塞壓縮進行增壓,并利用壓力調整旋鈕在相當于一次側壓力2倍(最高0.99MPa的范圍內進行增壓調整。
安裝自由
安裝方向自由,也可以垂直安裝。另外,配管也可以進行3個方向的拆卸。
壓力調整無需工具
可單手進行壓力調整,一按即可鎖定。此外,高壓設定時,旋鈕也可輕松手動操作進行調整。
小型
縮短長邊方向的緊湊形狀。
功能說明
- 從IN側流入的一次壓力通過IN側單向閥流入升壓室A、升壓室B。另外,一次壓力通過壓力調整部、切換閥流入驅動室A。活塞根據驅動室A的壓力向左移動。升壓室A中的空氣被壓縮,并通過OUT側單向閥流入OUT側。
- 活塞到達行程終端時,按下切換開關,向切換閥的先導室供氣,并對切換閥進行切換。驅動室A中的空氣被排出,空氣被供給到驅動室B。
- 此時,活塞向右移動,升壓室B中的空氣被壓縮,并通過OUT側單向閥流入OUT側。
- 通過反復進行上述動作,對OUT側進行增壓。OUT側壓力被反饋到壓力調整部,在與調壓彈簧之間達到壓力平衡狀態之前,始終進行增壓。
您好!請登錄